Time: 2023-01-09
Conductive plastic
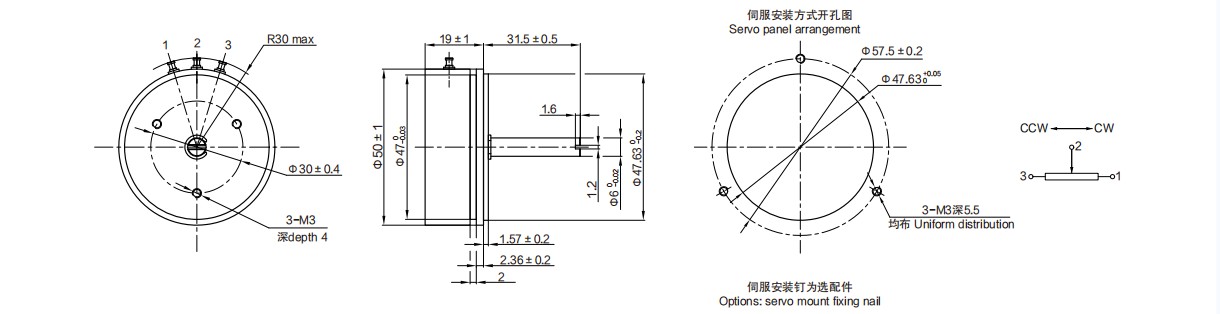
Screw&Servo mount
With one couple of precision ball bearings

Mechanical angle
360º (Endless)
Protection degree
IP40
Operating torque
<1mN·m
Life expectancy
20,000,000
Mass
Approx.90g
Bearing
With one couple of precision ball bearings
Housing material
Anodized aluminium alloy
Shaft material
Stainless steel
Wiper material
Precious metal multi-finger wiper
Operating temperature range
-55℃~+125℃
Storage temperature range
-55℃~+125℃
Shock
50G 11ms
Vibration
15G/10Hz ~ 2000Hz
Standard resistance
1K,2K,5K,10K
Resolution
Essentially infinite
Resistance tolerance
±15%
Independent linearity tolerance
Standard ±0.2%; Precision ±0.1%
Electrical angle
355°±2°
Power rating
2W
Wiper current
μA~1mA(Max.2mA)
Insulation resistance
≥1000MΩ(500V.D.C.)
Dielectric strength
500V.A.C/1 min
Output smoothness
<0.1%against input voltage
Resistance temperature coefficient
±400P.P.M/°C
Special specifications
Special resistance, Special electrical angle, Special machining on the shaft.
Message