Time: 2023-01-09
Magnetic rotary sensor
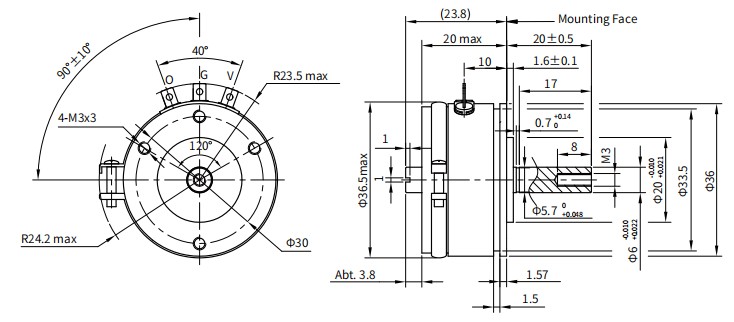
Shaft with front and rear extension
With one couple of precision ball bearings
Screw&Servo mount

Mechanical angle
3360º(Endless)
Protection degree
IP40
Operating torque
<1mN·m
Life expectancy
100,000,000
Mass
Approx.45g
Housing material
Anodized aluminium alloy
Shaft material
Stainless steel
Operating temperature range
-40℃~+85℃
Storage temperature range
-40℃~+85℃
ESD durability
Contact discharge ±8KV,Aerial discharge ±15KV,EN61000-4-2:2009
EMS durability
10V/m (80MHz~1GHz,1KHz80% Amplitude modulation),EN61000-4-3:2006+A1:2010
Standard model
WDH35B 0505 W360(For more input voltage/output signal such as 2410、2405、2442, please check our catalog.)
Input voltage
5V±10%
Output signal
0~100%Vcc
Current consumption (no-load)
<16mA
Output deviation of both ends
<1%·VCC
Load resistance
>100KΩ
Effective electrical angle
360º
Independent linearity
±0.5%
Resolution
4096 (12 Bit)
Update rate
0.3ms
Insulation resistance
> 1000MΩ (500V.D.C)
Dielectric strength
1 min (500V.A.C)
0505
5V±10% / 0~100%Vcc
2410
15~30V / 0~10V
2405
9~30V / 0~5V
2442
15~30V / 4~20mA
Special analog signals
1010:10V applied, 0~10V output, 0305:3.3V applied, 0~5V output, Dual analog signal and PWM
Other output signals
RS485, RS422, CAN, USB
Special mechanical angle
With stopper (Rotating angle becomes 345°, or 270°, 180°, 90° and other angles can be customized)
Special torque
Low torque <0.5mN·m or high torque <30mN·m
Special shaft
Special length of shaft, special diameter or special machining on shaft (like shaft slotted、flatted etc.)"
Solderless wire terminal
Solderless wire terminal
Message