Tiempo: 2023-01-09
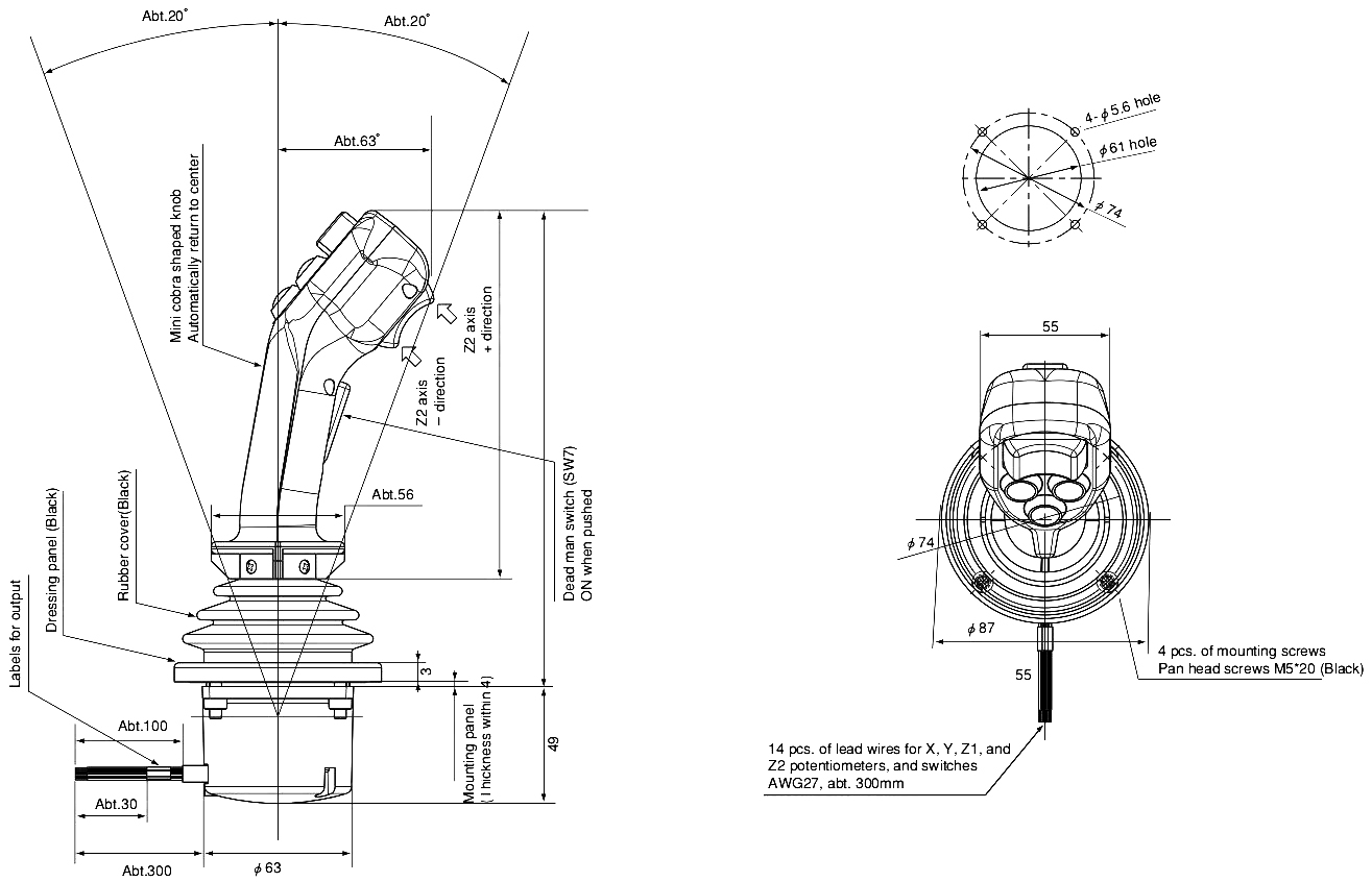
For multi functional control with compact sized cobra shaped knob
Potentiometer incorporated type
More than 4-dimensional coordinates type joystick
With spring return device

Operating force
Spring return device (Automatically return to center), X & Y directions: Approx. 1.5N~3N, Z direction: Approx. 10mN?m~25mN?m
Model No.
SRMP12HYS (Single output), SRMP12HYP (Parallel output), SRMP12HYX (Cross output)
Operating temperature range
-20℃~+60℃
Vibration
10~55Hz 98 m/s²
Shock
294 m/s²
Mechanical life expectancy
Approx. 5,000,000 operations
Mass
Single output type: Approx. 25g, Dual output type: Approx. 30g
Applied voltage
5.V.D.C±10%
Effective output
0.5V~4.5V
Electrical rotating angle
Approx. ±15°(Approx.30°)
Independent linearity tolerance
±3%FS
Load resistance
>10KΩ
Dielectric strength
1 minute at A. C. 500V
Insulation resistance Over 1,000MΩ at D. C. 500V
>1000MΩ(500V.D.C)
EMS durability
100V/m (80MHz~1GHz 1kHz sine-wave 80%AM modulation)
ESD durability
±8kV contact ±15kV aerial discharge (Based on IEC61000-4-2)
Model
No. 59-111 (Black) Manufactured by ITW Switches
Operating characteristics
Momentary type (SW-ON when pushed )
Rating
50V.D.C,0.1A
Dielectric strength
1 minute at A. C. 1,000V
Insulation resistance
>1000MΩ(500V.D.C)
Mechanical life expectancy
Max 500,000 operations
Model No.
SPVQ810100 Manufactured by ALPS
Operating characteristics
Momentary type (SW-ON when pushed)
Rating
12V.D.C,0.1A
Dielectric strength
1 minute at A. C. 500V
Insulation resistance
>100MΩ(500V.D.C)
Mechanical life expectancy
Max. 300,000 operations