Tiempo: 2023-01-09
Hall effect IC type
Low-cost version
Suitable for different engine interfaces

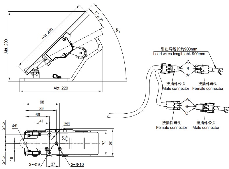
Operating angle
17°±2°
Operating force
40~50N
Mechanical life expectancy
10,000.000
Operating temperature
-40℃~ 85℃
Storage temperature
-50℃~ 120℃
Mass
Approx. 860g
Protection degree
IP66
Applied voltage
5V±10%
Output signal
0~100%Vcc
Current consumption (no-load)
≤20mA
Independent linearity tolerance
±2%
Resolution
4096 (12 Bit)
Update rate
0.3ms
Insulation resistance
>1000MΩ (500V.D.C)
Dielectric strength
1 min (500V.A.C)
Terminal
Signal I; Signal II
Color / Function; Color / Function
A
Black / GND; Yellow / OUT2
B
Green / OUT1; Bule / GND
C
Red / 5VDC;White / 5VDC
Other output signals
PWM
Electrical specifications
Special output range