Вернуться: 2023-01-09
Magnetic rotary sensor (Hall effect)
High protection degree
Pocket size
With one couple of precision ball bearings
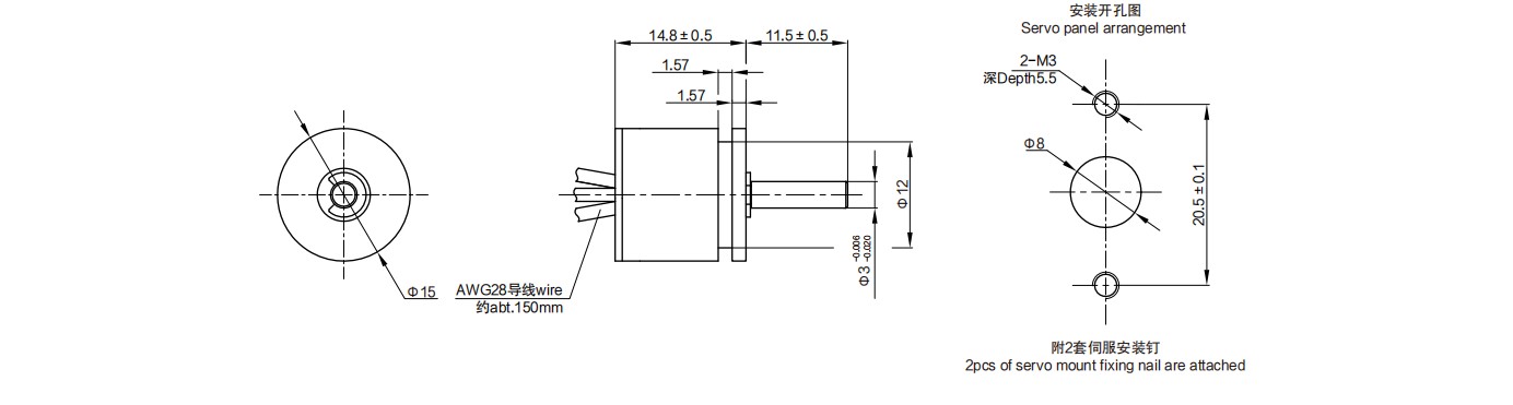
Servomount

Mechanical angle
360º(Endless)
Protection degree
IP65
Operating torque
<1mN·m
Max.speed
6000rpm
Life expectancy
100,000,000
Mass
Approx.12g
Housing material
Anodized aluminium alloy
Shaft material
Stainless steel
Operating temperature range
-40℃~+125℃
Storage temperature range
-40℃~+125℃
ESD durability
Contact discharge ±8KV,Aerial discharge ±15KV,EN61000-4-2:2009
EMS durability
10V/m (80MHz~1GHz,1KHz80% Amplitude modulation),EN61000-4-3:2006+A1:2010
Standard model
R15S 0505 W360
Input voltage
5V±10%
Output signal
0~100%Vcc
Current consumption (no-load)
<16mA
Output deviation of both ends
<1%·VCC
Load resistance
>10KΩ
Effective electrical angle
360º
Independent linearity tolerance
±0.3%
Resolution
4096 (12 Bit)
Update rate
0.3ms
Other output signals
Available for incremental、PWM、SER、SSI、SPI.
Special shaft
Special length of shaft、special diameter or special machining on shaft (like shaft slotted、fatted etc.)