Вернуться: 2025-12-29
Absolute inductive encoders
Integrated
With one couple of precision ball bearings
Bus signal output
Flange & servo

Mechanical angle
360º (Endless)
Protection degree
IP67(Electrical parts)
Staring torque
≤1mN·m
Max.speed
6000rpm
Life expectancy
>100,000,000
Mass
Approx.58g
Housing material
Anodized aluminium alloy
Shaft material
Stainless steel
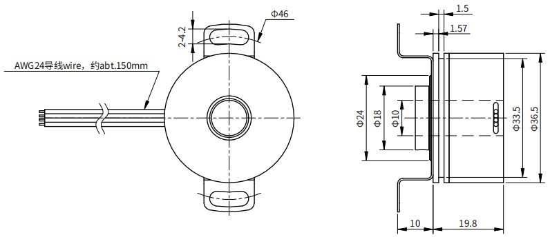
Shaft diameter
φ10 Hollow shaft (Hollow shaft less than 12mm diameter can be customized)
Operating temperature range
-40℃~+125℃
Storage temperature range
-55℃~+125℃
Vibration
100m/s², 10Hz~2000Hz (EN 60068-2-6)
Shock
500m/s², 13ms (EN 60068-2-27)
ESD durability
Contact discharge ±8KV,Aerial discharge ±15KV,EN61000-4-2:2009
EMS durability
100V/m (80MHz~1GHz,1KHz80% Amplitude modulation),EN61000-4-3:2006+A1:2010"
Standard model
IBS36-1-F5-W12485
Applied voltage
9~30V
Current consumption (no-load)
<80mA
Effective electrical angle
360º
Independent linearity tolerance
±0.3%
Resolution
4096 (12Bit);Max 16384 (14Bit)
Output port
RS485
Output signal
Modbus RTU slave
Baud rate
1200~115200bps settable,default 9600bps
Address
1~200 settable,default 1
Start time
5ms
Update signal
1ms
Communication interval
>20ms
Insulation resistance
> 1000MΩ (500V.D.C)
Dielectric strength
1 min (500V.A.C)
Special shaft
Special shaft length, special diameter or special machining on shaft (slotted, flatted, etc.)
Customized protocol
Customized protocol according to customers' requirements