Вернуться: 2023-01-09
Linear Potentiometers/Linear Sensors
Conductive Plastic
With front extended shaft
Low-cost Item

Standard Resistance Values
500,1K,2K,5K,10K
Total Resistance Tolerance
±20%(M)
Independent Linearity Tolerance
±2.0%(Standard)、±1.0%(Precision)
Resolution
Endless
Output Smoothness
<against input voltage 0.1%
Contact Resistance Variation
<2%C.R.V.
Power Rating
0.2W
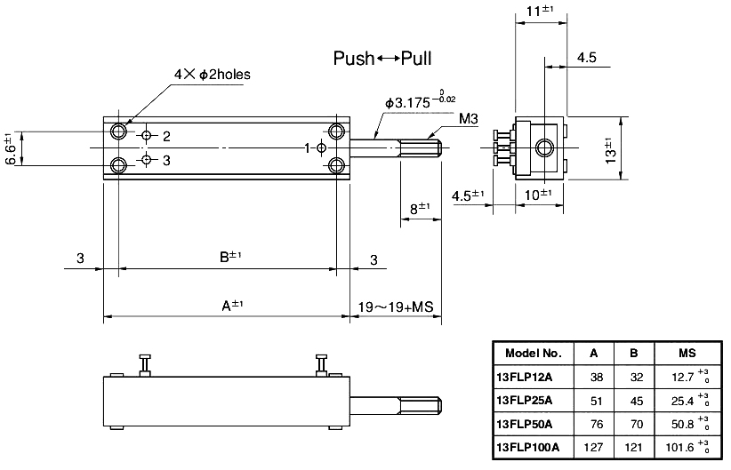
Electrical Stroke
12.7±0.5mm
Mechanical Stroke (MS)
12.7mm
Insulation Resistance
>1000MΩ(500V.D.C.)
Dielectric Strength
1 minute at 1,000V.A.C.
Friction
<0.5N(50gf)
Stopper Strength
Approx. 20N(2kgf)
Resistance Temperature Coefficient
±400p.p.m./℃
Mass
Approx. 10g
Standard Resistance Values
500,1K,2K,5K,10K
Total Resistance Tolerance
±20%(M)
Independent Linearity Tolerance
±1.5%(Standard)、±0.7%(Precision)
Resolution
Endless
Output Smoothness
<against input voltage 0.1%
Contact Resistance Variation
<2%C.R.V.
Power Rating
0.4W
Electrical Stroke
25.4±0.5mm
Mechanical Stroke
25.4mm
Insulation Resistance
>1000MΩ(500V.D.C.)
Dielectric Strength
1 minute at 1,000V.A.C.
Friction
<0.5N(50gf)
Stopper Strength
Approx. 20N(2kgf)
Resistance Temperature Coefficient
±400p.p.m./℃
Mass
Approx. 15g
Standard Resistance Values
1K,2K,5K,10K,20K
Total Resistance Tolerance
±20%(M)
Independent Linearity Tolerance
±1.0%(Standard)、±0.5%(Precision)
Resolution
Endless
Output Smoothness
<against input voltage 0.1%
Contact Resistance Variation
<2%C.R.V.
Power Rating
0.7W
Electrical Stroke
50.8±0.5mm
Mechanical Stroke
50.8mm
Insulation Resistance
>1000MΩ(500V.D.C.)
Dielectric Strength
1 minute at 1,000V.A.C.
Friction
<0.5N(50gf)
Stopper Strength
Approx. 20N(2kgf)
Resistance Temperature Coefficient
±400p.p.m./℃
Mass
Approx. 25g
Standard Resistance Values
1K,2K,5K,10K,20K
Total Resistance Tolerance
±20%(M)
Independent Linearity Tolerance
±0.7%(Standard)、±0.3%(Precision)
Resolution
Endless
Output Smoothness
<against input voltage 0.1%
Contact Resistance Variation
<2%C.R.V.
Power Rating
1.2W
Electrical Stroke
101.6±0.5mm
Mechanical Stroke
101.6mm
Insulation Resistance
>1000MΩ(500V.D.C.)
Dielectric Strength
1 minute at 1,000V.A.C.
Friction
<1.0N(100gf)
Stopper Strength
Approx. 20N(2kgf)
Resistance Temperature Coefficient
±400p.p.m./℃
Mass
Approx. 35g
Special shaft type
Special machining on the shaft
Spring return device
Spring return device mounted on the shaft (Friction is referred as within table.)
Spring type
Wirewound resistive element type (13LP series)